BRIN Logo
Sign In
Main Product Image

Solusi Traktor Listrik Terintegrasi dengan Monitoring Data Real-Time

Agenda Riset: Penguatan Industri Strategis
Sektor: Rekayasa Keteknikan

Deskripsi

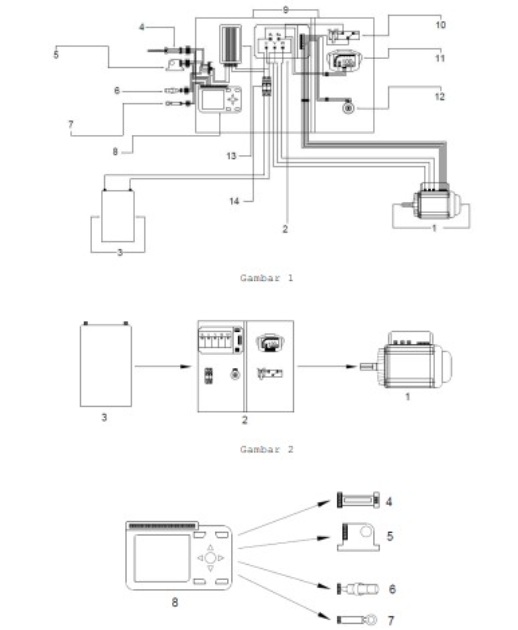
Invensi ini menyediakan sistem propulsi dan akuisisi data untuk traktor tanam listrik di lahan basah. Traktor tanam listrik tersebut dikembangkan guna meningkatkan efisiensi operasional di lahan basah sekaligus menawarkan alternatif yang lebih ramah lingkungan dibandingkan traktor berbahan bakar fosil. Sistem propulsi pada traktor ini menggunakan motor listrik tipe BLDC berkapasitas 3 kW sebagai penggerak utama roda, dengan energi yang diperoleh dari baterai lithium-ion 72 VDC yang dilengkapi Battery Management System (BMS) untuk menjaga performa dan keamanan baterai. Inverter dan kontroler motor berfungsi mengatur kecepatan putaran berdasarkan perintah operator melalui potensiometer. Sementara itu, sistem akuisisi data memanfaatkan sensor putaran pada motor untuk mendeteksi putaran motor, sensor arus, tegangan, dan suhu untuk memantau arus, tegangan, dan suhu motor, serta perangkat instrumentasi monitoring yang berfungsi mengakuisisi data tersebut. Dengan sistem ini, operator dapat melakukan evaluasi performansi traktor tanam dengan mudah.

Kata Kunci

Bldc Pertanian Propulsi Traktor Listrik

Dokumen Download

  • Efisiensi energi maksimal dengan motor BLDC 3 kW yang bertenaga namun hemat biaya operasional.
  • Keamanan baterai terjamin melalui sistem BMS cerdas untuk umur pakai baterai yang lebih lama.
  • Monitoring performa real-time melalui sistem akuisisi data suhu, arus, dan tegangan yang presisi.
  • Ramah lingkungan dan bebas polusi suara, sangat ideal untuk ekosistem pertanian berkelanjutan.
  • Kendali kecepatan yang responsif dan mudah dioperasikan, khusus dirancang untuk medan lahan basah.